8155引脚图,原理,中文资料
8155简介
inter 8155是常用的扩展单片机io资源的芯片,8155原理是只利用单片机的一个并行口来扩展出几个并口,使得单片机可以接入更多的设备,如果打印机等。

8155引脚图
8155应用过程以及程序编写比较复杂

8155与单片机接口图
8155引脚图及功能描述
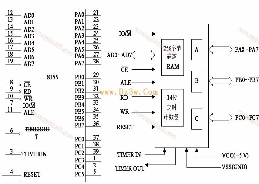
8155有40个引脚,采用双列直插封装,其引脚图和组成框图如下页图所示。
我们对8155的引脚分类说明如下:
地址/数据线AD0~AD7(8条):是低8位地址线和数据线的共用输入总线,常和51单片机的P0口相连,用于分时传送地址数据信息,当ALE=1时,传送的是地址。
I/O口总线(22条):PA0~PA7、PB0~PB7分别为A、B口线,用于和外设之间传递数据;PC0~PC5为C端口线,既可与外设传送数据,也可以作为A、B口的控制联络线。
(3) 控制总线(8条):
RESET:复位线,通常与单片机的复位端相连,复位后,8155的3个端口都为输入方式。
WR, RD:读/写线,控制8155的读、写操作。
ALE:地址锁存线,高电平有效。它常和单片机的ALE端相连,在ALE的下降沿将单片机P0口输出的低8位地址信息锁存到8155内部的地址锁存器中。因此,单片机的P0口和8155连接时,无需外接锁存器。
CS:片选线,低电平有效。
IO/M:RAM或I/O口的选择线。当=0时,选中8155的256 B RAM;当=1时,选中8155片内3个I/O端口以及命令/状态寄存器和定时/计数器。
TIMERIN、TIMEROUT:定时/计数器的脉冲输入、输出线。TIMERIN是脉冲输入线,其输入脉冲对8155内部的14位定时/计数器减1;为输出线,当计数器计满回0时,8155从该线输出脉冲或方波,波形形状由计数器的工作方式决定。
.作片外RAM使用
当CE=0,IO/M=0时,8155只能做片外RAM使用,共256 B。其寻址范围由以及AD0~AD7的接法决定,这和前面讲到的片外RAM扩展时讨论的完全相同。当系统同时扩展片外RAM芯片时,要注意二者的统一编址。对这256 B RAM的操作使用片外RAM的读/写指令“MOVX”。
作扩展I/O用
当 CE=0,IO/M=1时,此时可以对8155片内3个I/O端口以及命令/状态寄存器和定时/计数器进行操作。与I/O端口和计数器使用有关的内部寄存器共有6个,需要三位地址来区分。